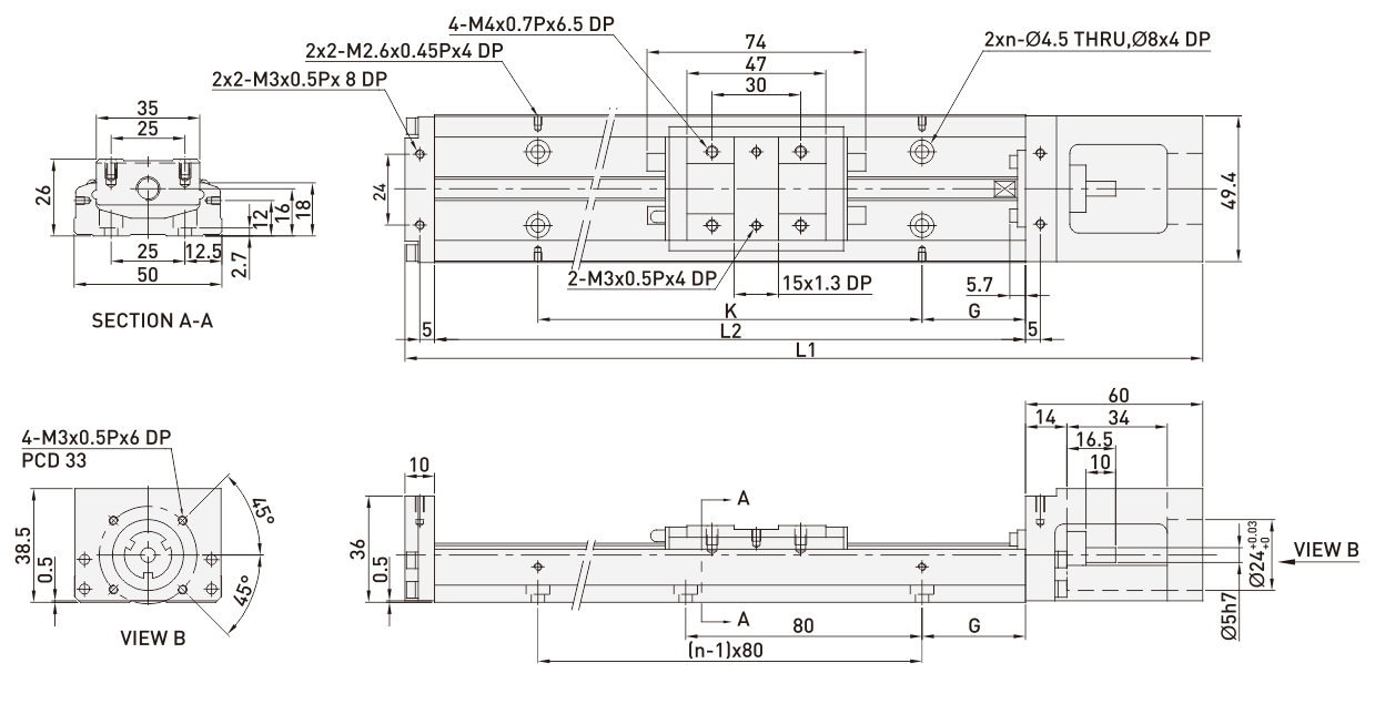
KLS單軸機器人主要是透過模塊化之設計,將滾珠杠和直綫導軌整合在一起,因此可提供具有高精度、快速安裝、選用、高剛性、體積小、節省空間等特性。
藉由高精度之滾珠絲杠做爲傳動機構,以及配合優化設計之U型軌道做爲導引機構,來確保精度與剛性之需求。
KLS單軸機器人主要是透過模塊化之設計,將滾珠杠和直綫導軌整合在一起,因此可提供具有高精度、快速安裝、選用、高剛性、體積小、節省空間等特性。
藉由高精度之滾珠絲杠做爲傳動機構,以及配合優化設計之U型軌道做爲導引機構,來確保精度與剛性之需求。
| 軌道長度L2 (mm) | 全長L1(mm) | 最大行程(mm) | G (mm) | K(mm) | n | 重量(kg) | ||
| A1滑座 | A2滑座 | A1滑座 | A2滑座 | |||||
| 150 | 220 | 70 | - | 35 | 80 | 2 | 1 | - |
| 200 | 270 | 120 | 55 | 20 | 160 | 3 | 1.2 | 1.4 |
| 250 | 320 | 170 | 105 | 45 | 160 | 3 | 1.4 | 1.6 |
| 300 | 370 | 220 | 155 | 30 | 240 | 4 | 1.6 | 1.8 |
