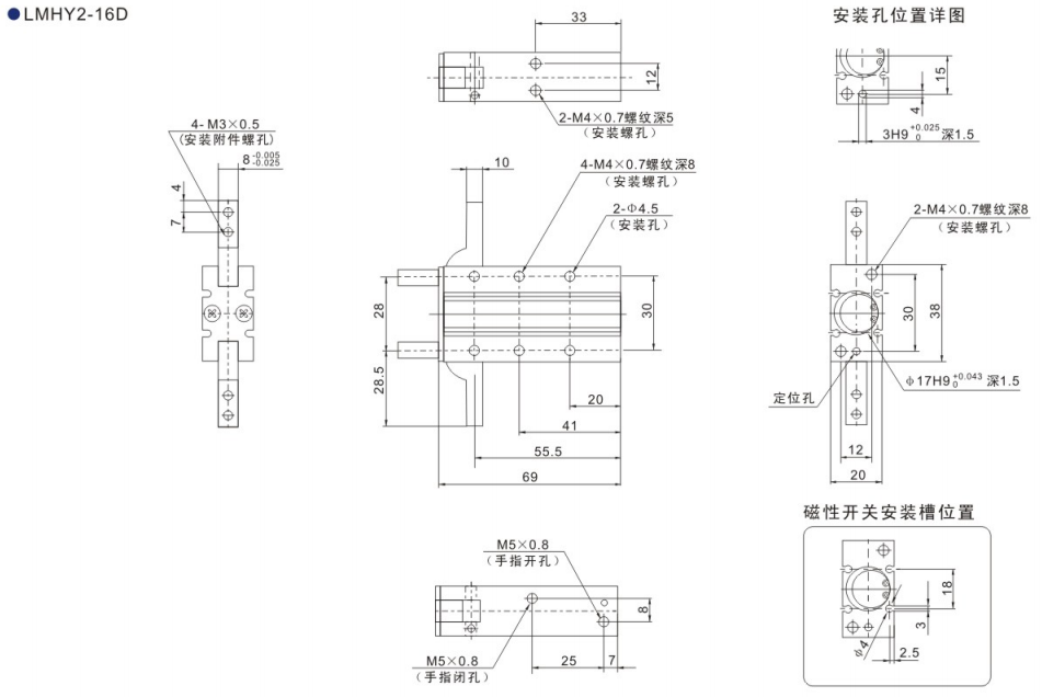
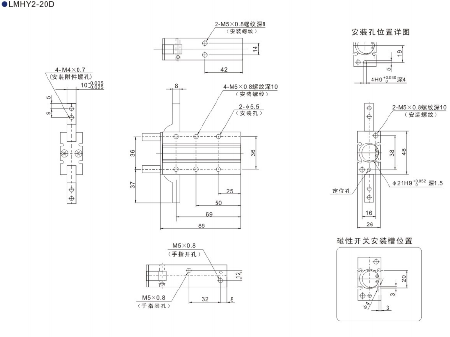
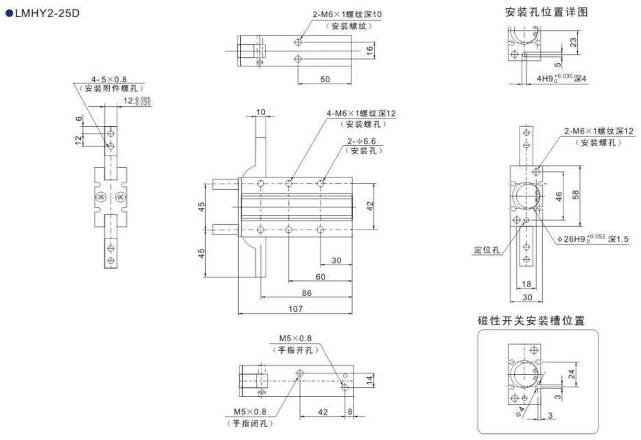
·内置磁环型,可安装磁性开关
·180°开闭式,简化拾放动作
·可适合特殊环境下使用,手指开闭部分特别设计,可防止微小物件进入。
·安装方便,附有定位孔
021-37773226
sales@ilsin.cn
我们的团队将随时为您效劳!