Menu

气缸

Ø6,Ø10,Ø16

产品特点

·轻量又紧凑的设计

·提高耐磨性

·可高速运动

·简单安装方式

·横向负荷加强

·活塞杆凹陷减少

·1.5倍以上的长寿命




配置说明


型号标记方法

3.1.png

标记记号

1728380808119628.png


①超小型气缸

※磁铁、橡胶缓冲

基本内置

⑤气缸标准行程(mm)

6:15,30,45,50,60

∅10:15,30,45,50,60,75,100

∅1615,30,45,50,60,75,100

②双杆型


⑥磁性开关种类

有接点卡环安装型磁性开关

C73:D-C73(引线标准长度1M)

C75:D-C75(引线标准长度1M)

附件类型

无记号:基本型

L:轴向脚座型

F:杆侧法兰型

⑦附磁性开关数量

无记号:安装2个

S :安装1个

N :安装N个

④缸径

6:6mm

10:10mm

16:16mm



附件类型/部件号

附件类型

缸径(mm)

6

10

16

脚座

PSP 06-L

PSP 10-L

PSP 16-L

法兰

PSP 06-F

PSP 10-F

PSP 16-F

开关卡套

PSP 06-B

PSP 10-B

PSP 16-B

适用D-C7型


规格

运动方式

复动单杆型

使用流体

压缩空气

最高使用压力

0.7M Pa

最小使用压力

6

0.15M Pa

∅ 10,16

0.1M Pa

保证压力

1.05M Pa


环境和使用流体温度

+5~60℃

润滑油,无

无润滑

螺纹精度

KS 2等级

缓冲

橡胶缓冲(标准)

行程误差

0~1.0mm

活塞速度

50 ~750 mm /s


附件类型附属品

附件类型

基本型

轴向脚座型

杆向法 兰型

标准设备

安装螺母

O

O

O

杆末端螺母

O

O

O

特殊 设备

I型单纣节接头

O

O

O

Y型双纣节接头(包括销子)

O

O

O


适用磁性开关

磁性开关安装方式

适用气缸内径(mm)

有接点型磁性开关

磁铁

卡环安装型

6,10,16

D-C7型


重量表(单位g)

气缸内径(mm)

6

10

16

基本重量

27

35

70

每15行程增加重量

3

6

9

附件 类型

脚座型

14

14

38

法 兰型

5

6

13

1)标准重量包括杆末端螺母,安装螺母。


气缸构造图

3.2.png


构成部品

编号

部品名

材质

表面处理

1

杆盖

铝合金

白色阳极氧化

2

缸筒

碳钢


3

活塞

黄铜


4

活塞杆

碳钢

镀硬铬

5

安装螺母

黄铜

镀镍

6

杆端螺母

低碳钢

镀镍

7

活塞密封圈

NBR


8

杆盖

NBR


9

钢筒范围

NBR


10

活塞O型圈

NBR


11

密封圈定位器

铝合金

白色阳极氧化

12

垫片

聚氨酯


13

磁铁

镍钴



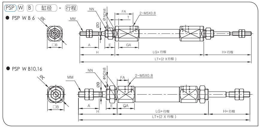
基本型(PSP W B)尺寸图(单位mm)

3.3.png


缸径

A

B

C

D

E

FA

H

MM

GA

ND h8

NN

LG

T

LT

6

15

12

14

3

8

14.5

28

M3X0.5

16

60-0.018

M6X1.0

68.5

3

124.5

10

15

12

14

4

8

8

28

M4X0.7

12.5

80-0.022

M8X1.0

48

-

104

16

15

18

20

5

8

8

28

M5X0.8

12.5

100-0.022

M10X1.0

48

-

104


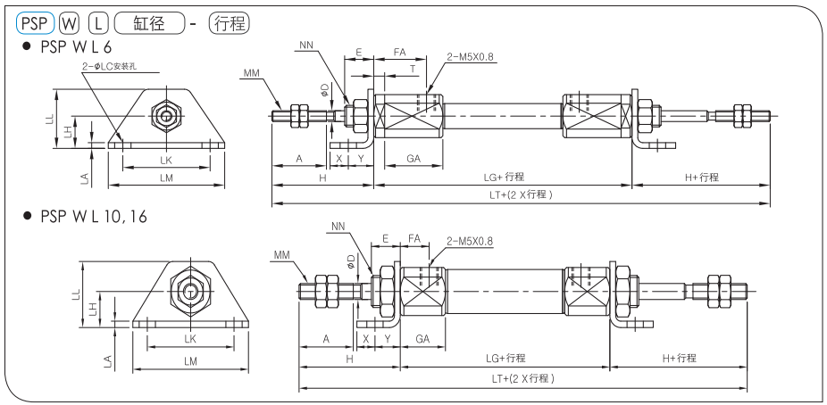
角座型(PSP W L)尺寸图(单位mm)

3.4.png

缸径

A

D

E

FA

H

LC

LH

LA

LK

LL

LM

MM

GA

NN

LG

T

X

Y

LT

6

15

3

8

14.5

28

4.5

9

1.6

24

16.5

32

M3x0.5

16

M6x1.0

68.5

3

5

7

124.5

10

15

4

8

8

28

4.5

9

1.6

24

16.5

32

M4x0.7

12.5

M8x1.0

48

-

5

7

104

16

15

5

8

8

28

5.5

14

2.3

33

25

42

M5x0.8

12.5

M10x1.0

48

-

6

9

104


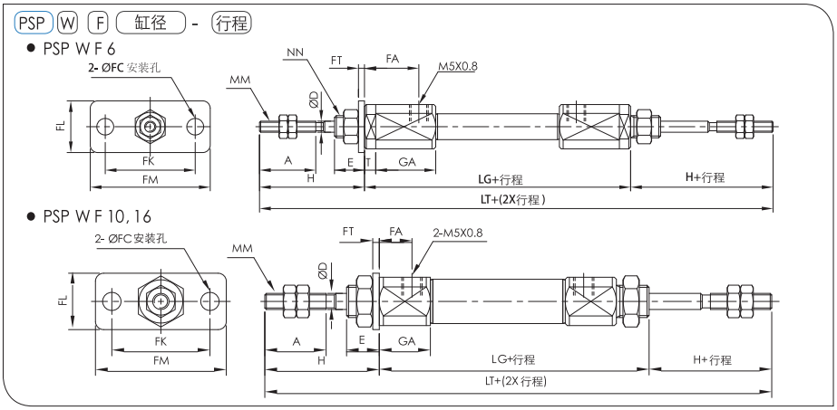
法兰型(PSP W F)尺寸图(单位mm)


3.5.png

缸径

A

D

E

FC

FT

FK

FL

FM

FA

H

MM

GA

NN

LG

T

LT

6

15

3

8

4.5

1.6

24

14

32

14.5

28

M3X0.5

16

M6X1.0

68.5

3

124.5

10

15

4

8

4.5

1.6

24

14

32

8

28

M4X0.7

12.5

M8X1.0

48

-

104

16

15

5

8

5.5

2.3

33

20

42

8

28

M5X0.8

12.5

M10X1.0

48

-

104


有问题吗? 技术顾问为您服务!

021-37773226

sales@ilsin.cn

与正菏联系

我们的团队将随时为您效劳!