Ø6,Ø10,Ø15
·轻量又紧凑的设计
·提高耐磨性
·可高速运动
·简单安装方式
·横向负荷加强
·活塞杆凹陷减少
型号标记方法 |
|
标记记号 |
|
①超小型气缸 ※磁铁、橡胶垫 基本内置 | ⑤前端盖端口位置 无记号:∅6-轴向基本 ∅10,16-轴向90° R:∅10,∅16-轴向 |
②附件支持型 B:基本型 L:轴向脚座型 F:杆向法兰型 D:双U型钩型(杆端一体型) | ⑥磁性开关种类 适用的磁性开关类型 C73:D-C73(引线长度为一米标准) C75:D-C75(引线长度为一米标准) |
③缸径 6:6mm 10:10mm 16:16mm | ⑦附磁性开关数量 无记号:2个 S :1个 N :N个 |
④气缸标准行程(mm) ∅6:15,30,45,50,60,75,100 ∅10:15,30,35,40,50,60,75,100,125,150 ∅16:15,30,45,50,60,75,100,125,150,175,200 | |
附件类型/部件号
附件类型 | 缸径(mm) | ||
6 | 10 | 16 | |
脚座 | PSP 06-L | PSP 10-L | PSP 16-L |
法兰 | PSP 06-F | PSP 10-F | PSP 16-F |
开关卡套 | PSP 06-B | PSP 10-B | PSP 16-B |
适用D-C7型 | |||
规格
运动方式 | 复动单杆型 | |
使用流体 | 压缩空气 | |
最高使用压力 | 0.7M Pa | |
最小使用压力 | ∅ 6 | 0.15M Pa |
∅ 10,16 | 0.1M Pa | |
保证压力 | 1.05M Pa | |
环境和使用流体温度 | +5~60℃ |
润滑油,无 | 无润滑 |
螺纹精度 | KS 2等级 |
缓冲 | 橡胶垫 |
行程误差 | 0~1.0mm |
活塞速度 | 50 ~750 mm /s |
附件类型和配件
附件类型 | 基本型 | 轴向脚座型 | 杆向法兰型 | 双U型钩一体型 | |
标准设备 | 安装螺母 | O | O | O | - |
杆末端螺母 | O | O | O | O | |
U型钩使用销子 | - | - | - | O | |
特殊类型 | I型单纣节接头 | O | O | O | O |
Y型双纣节接头(包括销子) | O | O | O | O | |
T托架 | - | - | - | O | |
适用自动开关
磁性开关安装方式 | 适用气缸内径(mm) | 簧片开关 |
磁铁 | ||
卡环安装型 | 6,10,16 | 适用D-C7型 |
重量表(单位g)
气缸内径(mm) | 6 | 10 | 16 | |
基本重量 | 15(0.52) | 24(0.84) | 54(1.94) | |
每15行程 增加重量 | 2(0.08) | 4(0.14) | 6.5(0.23) | |
附件重量 | 端口型 | 7(0.25) | 7(0.25) | 19(0.67) |
法兰型 | 5(0.18) | 5(0.18) | 13(0.45) | |
双U型钩型(包括销子) | 2(0.08) | 8(0.28) | ||
1)标准重量包括杆末端螺母,安装螺母。
2)双U型钩型不包括安装螺母。
气缸构造图

构成部品
编号 | 部品名 | 材质 | 表面处理 |
1 | 杆端盖 | 铝合金 | 白色阳极氧化 |
2 | 后端盖 | 铝合金 | 白色阳极氧化 |
3 | 管 | 碳钢 | |
4 | 活塞 | 黄铜 | |
5 | 活塞杆 | 碳钢 | 镀硬铬 |
6 | 镀螺母 | 黄铜 | 镀镍 |
7 | 杆末端螺母 | 低碳钢 | 镀镍 |
8 | 活塞密封圈 | NBR | |
9 | 杆 密封圈 | NBR | |
10 | 钢筒O型圈 | NBR | |
11 | 活塞O型圈 | NBR | |
12 | 密封圈定位器 | 铝合金 | 白色阳极氧化 |
13 | 垫片 | 聚氨酯 | |
14 | 磁铁 | 按镍钴 |
标准型(PSP B)尺寸图(单位mm)

缸径 | A | B | C | D | E | FA | FB | H | MM | GA | GB | ND h8 | NN | LG | T | LT |
6 | 15 | 12 | 14 | 3 | 8 | 14.5 | - | 28 | M3X0.5 | 16 | 7 | 60-0.018 | M6X1.0 | 49 | 3 | 77 |
10 | 15 | 12 | 14 | 4 | 8 | 8 | 5 | 28 | M4X0.7 | 12.5 | 9.5 | 80-0.022 | M8X1.0 | 45 | - | 73 |
16 | 15 | 18 | 20 | 5 | 8 | 8 | 5 | 28 | M5X0.8 | 12.5 | 9.5 | 100-0.022 | M10X1.0 | 45 | - | 73 |
轴向脚座型(PSP L)尺寸图(单位mm)

缸径 | A | B | C | D | D E | FA | FB | H | LC LH | LH | LA | LK | LL | LM | MM | GA | GB | NN | LG | T | XY | Y | LT | |
6 | 15 | 12 | 14 | 3 | 8 | 14.5 | 28 | 4.5 | 9 | 1.6 | 24 | 16.5 | 32 | M3x0.5 | 16 | 7 | M6x1.0 | 49 | 3 | 5 | 7 | 77 | ||
10 | 15 | 12 | 14 | 4 | 8 | 8 | 5 | 28 | 4.5 | 9 | 1.6 | 24 | 16.5 | 32 | M4x0.7 | 12.5 | 9.5 | M8x1.0 | 45 | 5 | 7 | 73 | ||
16 | 15 | 18 | 20 | 5 | 8 | 8 | 5 | 28 | 5.5 | 14 | 2.3 | 33 | 25 | 42 | M5X0.8 | 12.5 | 9.5 | M10X1.0 | 45 | 6 | 9 | 73 | ||
杆侧法兰型(PSP F)尺寸图(单位mm)

缸径 | A | B | C | D | E | FC | FT | FK | FL | FM | FA | FB | H | MM | GA | GB | NN | LG | T | LT |
6 | 15 | 12 | 14 | 3 | 8 | 4.5 | 1.6 | 24 | 14 | 32 | 14.5 | 28 | M3X0.5 | 16 | 7 | M6X1.0 | 49 | 3 | 77 | |
10 | 15 | 12 | 14 | 4 | 8 | 4.5 | 1.6 | 24 | 14 | 32 | 8 | 5 | 28 | M4X0.7 | 12.5 | 9.5 | M8X1.0 | 45 | 73 | |
16 | 15 | 18 | 20 | 5 | 8 | 5.5 | 2.3 | 33 | 20 | 42 | 8 | 5 | 28 | M5X0.8 | 12.5 | 9.5 | M10X1.0 | 45 | 73 |
双U型钩型(单位mm)

缸径 | A | B | C | CD | CB | CA | D | FA | FB | H | MM | GA | GB | NN | R | LG | Q | LT |
10 | 15 | 12 | 14 | 3.3 | 3.2 | 12 | 4 | 8 | 18 | 28 | M4X0.7 | 12.5 | 22.5 | M8X1.0 | 5 | 45 | 8 | 81 |
16 | 15 | 18 | 20 | 5 | 6.5 | 18 | 5 | 8 | 23 | 28 | M5X0.8 | 12.5 | 27.5 | M10X1.0 | 8 | 45 | 10 | 83 |
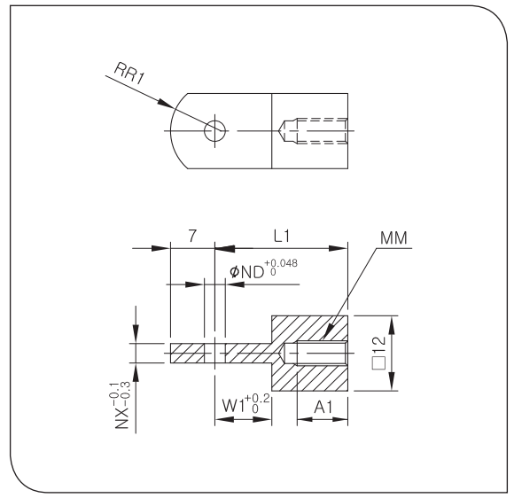
I型单纣节接头(单位mm)

缸径 | A1 | L1 | MM | NDH10 | NX | R1 | W1 |
10 | 8 | 21 | M4X0.7 | 3.3+0.0480 | 3.1 | 8 | 9 |
16 | 8 | 25 | M5X0.8 | 5+0.048 | 6.4 | 12 | 14 |
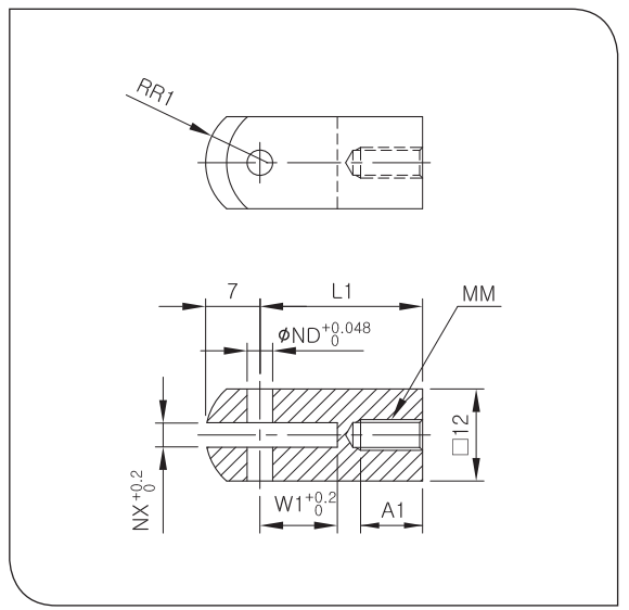
Y型双纣节接头(单位mm)

缸径 | A1 | L1 | MM | NDH10 | NX | R1 | W1 |
10 | 8 | 21 | M4X0.7 | 3.3+0.0480 | 3.2 | 8 | 10 |
16 | 8 | 25 | M5X0.8 | 5+0.048 | 6.5 | 12 | 10 |
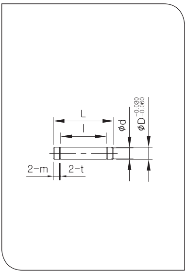
U型钩销子(单位mm)

缸径 | D d9 | d | L |
10 | 3-0.03、-0.06 | 3 | 15.2 |
16 | 5-0.03、-0.06 | 4.8 | 16.6 |
缸径 | m | 停止环 | ||
10 | 12.2 | 1.7 | 0.3 | C型3.2 |
16 | 12.2 | 1.5 | 0.7 | C型3.2 |
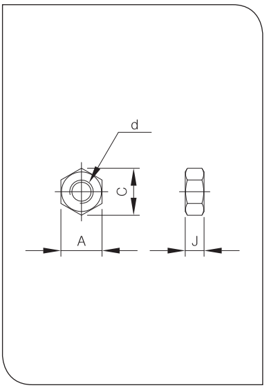
安装螺母(单位mm)

缸径 | A | C | d | J |
6 | 8 | 9.2 | M6x1.0 | 4 |
10 | 11 | 12.7 | M6x1.0 | 4 |
| 16 | 14 | 16.2 | M6x1.0 | 4 |
杆端螺母(单位mm)

缸径 | A | C | d | J |
6 | 5.5 | 6.4 | M3x0.5 | 2.4 |
10 | 7 | 8.1 | M4x0.5 | 3.2 |
| 16 | 8 | 9.2 | M5x0.5 | 4 |