Menu

气缸

Ø20,Ø25,Ø32,Ø40

产品特点

·改善了气缸零件的程度及密封现象的材质,提高了耐磨性,PSS3系列全部都以无润滑型所制成。

·比起先前的SS2系列缸体较轻且体积较小,因而减少了安装空间。

·前盖及后盖的4面宽度都有加宽,因而减少了安装空间。




配置说明


型号标注方法

6.11.png

标记记号

6.1.png



①微型气缸
缸筒材质:不锈钢

④缸径
20-20mm
25-25mm
32-32mm
40-40mm

⑦气缸标记记号

②型号
无记号:无润滑型
H:低油润滑型

记号


伸缩保护套的材质

杯境 最高温 度
60℃

J

尼龙防水帆布

K

聚氯丁橡胶布

110℃

⑤气缸行程
标准行程(mm)

⑧配件
I:I型单纣节接头
Y:Y型双纣节接头
无记号:基本
(带杆端螺母)

③安装
B基本型
LB:脚座型
FA:杆侧法兰型
FB:后法兰型
CA:单U型钩
CB:双U型钩
TR:杆侧轴耳型
TH:后侧轴耳型

⑥无记号橡皮缓
A:空气缓冲


形式

型号

类型

运作
方式

活塞
密封圈

备注

ISS3 N

无润滑

复动

特殊
密封圈


ISS3 H

低油压

复动

特殊
密封圈

I-D(MM)


规格


类型

无润滑型

低油压型

使用流体

空气

油压操作

保证耐压力

15kgf/cm2

最高使用压力

9.9kgf/cm2

最低使用压力

0.5kgf/cm²

1.0kgf/cm2

环境和使用流体温度

5~60℃

活塞使用速度

50-700mm/sec

0.5-300mm/sec

缓冲类型

RUBBER Cushion

螺纹公差

KS2等级

行程长度公差

~250+o°

251~500+!4



标准行程表

缸径-D(MM)

标准行程

最大行程范围

020

25、50、75、100
125、150、200
250、300

500

025

032

040

行程在500以上封,请令加询问



部件型驱

I-D(MM) / Lot-end

20

25.30

40

I型单纣节接头

ISS3-201

ISS3-25/321

ISS3-401

Y型双纣节接头

ISS3-20Y

ISS3-25/32 Y

ISS3-40 Y

※BS240用部件与中型气缸BM系列中的40相同



部件型驱


HD(MM) / Lot-end

20

25.30

40

脚座型

ISS3-LB20

ISS3-LB25/32

ISS3-LB40

法兰型

ISS3-F20

ISS3-F25/32

ISS3-F40

单U型钩型

ISS3-CA20

ISS3-CA25/32

ISS3-CA40

双U型钩型

ISS3-CB20

ISS3-CB25/32

ISS3-CB40

耳轴型

ISS3-T20

ISS3-T25/32

ISS3-T40

订购脚座时,每条气缸要订2个



安装形式及配件


配件 / 安装型式

基本配件

订货件

安装螺母

杆端螺母

纣节销子

I型单纣节接头

Y型双纣节接头

伸缩保护套

基本型(B)

●1个(EA)

-

脚 座型(LB)

●2个(EA)

-

杆端法兰型(FA)

●1个(EA)

-

后端法兰型(FB)

●1个(EA)

-

单U型钩一体型(CD)

-

-

单U型钩型(CA)

-

-

双U型钩型(CB)

-

-

后端耳轴型(TH)

●1个(EA)

-

杆端耳轴型(TR)

●1个(EA)

-

平尾型(BC)

●1个(EA)

-

法兰平尾型(FC)

●1个(EA)

-



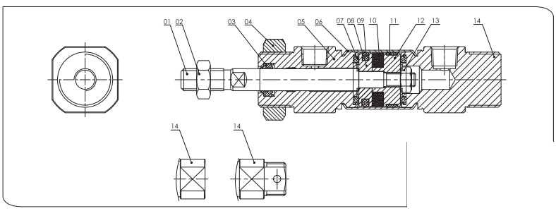
内部结构图 

6.2.png



一般(无润滑)型 

15

推杆密封环

NBR

DRP10

DRP12

DRP12

DRP16

16

O形密封圈

NBR

S6

S8

S8

S10

17

活塞密封圈

NBR

OPA20

OPA25

OPA32

OPA40



低油压型

18

活塞密封圈

NBR

HSD 20

HSD 25

HSD 32

HSD 40



部件名称

编号

名称

材料

1

S45C

2

杆盖

A2024

3

端盖

A2024

4

端盖

A2024

5

端盖

A2024

6

WEARING

ACTEAL

7

SUS304

8

PISTON LOCK NUT

S10C

9

活塞

A2024

10

磁铁

STEEL

11

弹簧垫圈

SCM4

12

套筒

BSBM

13

除雾器

URETHANE

14

无油的

CU+OIL



一般型(B)(单位mm)

6.3.png


I-D(MM)

行程范围

C

A

B

0C

OD

H

KK

L

M

PA

PB

P(PT)

T

TL

OVA

W

20

~300

15.5

18

5.0

27

10

13

M8X1.25

62

M20X1.5

8

8

1/8

41

116

24

15

25

~300

19.5

22

5.5

33

12

13

M10X1.25

62

M26X1.5

8

8

1/8

45

120

30

15

32

~300

19.5

22

5.5

37.3

12

13

M10x1.25

64

M26X1.5

8

8

1/8

45

122

34.5

15

40

~300

21.0

24

7.5

46.5

16

16

M14X1.50

88

M32x2.0

11

11

1/4

50

154

42.5

21



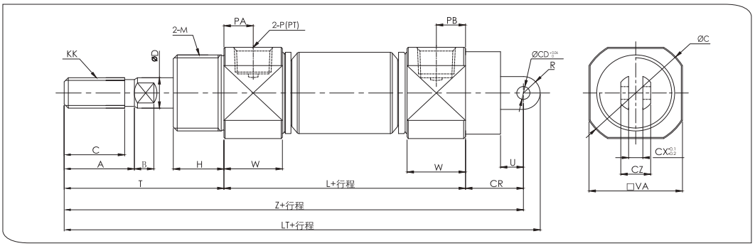
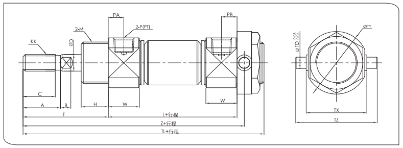
杆侧法兰型(FA)(单位mm)

6.4.png


I-D(MM)

行程范围

C

A

B

ØD

ØFD

FT

FX

FY

FZ

H

KK

L

M

PA

PB

20

~400

15.5

18

5.0

10

7

3.2

60

-

75

13

M8x1.25

62

M20X1.5

8

8

25

~450

19.5

22

5.5

12

7

4.5

60

-

75

13

M10X1.25

62

M26X1.5

8

8

32

~450

19.5

22

5.5

12

7

4.5

60

-

75

13

M10X1.25

64

M26X1.5

8

8

40

~500

21.0

24

7.5

16

7

4.5

66

36

82

16

M14x1.50

88

M32x2.0

11

11


I-D(MM)

P(PB)

T

TL

W

Y

20

1/8

41

116

15

40

25

1/8

45

120

15

42

32

1/8

45

122

15

42

40

1/4

50

154

21

52




后侧法兰型(FB)(单位mm)

6.5.png


I-D(MM)

行程范围

C

A

B

φD

φFD

FT

FX

FY

FZ

H

KK

L

M

PA

PB

20

~400

15.5

18

5.0

10

7

3.2

60

-

75

13

M8x1.25

62

M20X1.5

8

8

25

~450

19.5

22

5.5

12

7

4.5

60

-

75

13

M10X1.25

62

M26X1.5

8

8

32

~450

19.5

22

5.5

12

7

4.5

60

-

75

13

M10x1.25

64

M26X1.5

8

8

40

~500

21.0

24

7.5

16

7

4.5

66

36

82

16

M14x1.50

88

M32x2.0

11

11


I-D(MM)

P(PB)

T

TL

W

Y

20

1/8

41

116

15

40

25

1/8

45

120

15

42

32

1/8

45

122

15

42

40

1/4

50

154

21

52




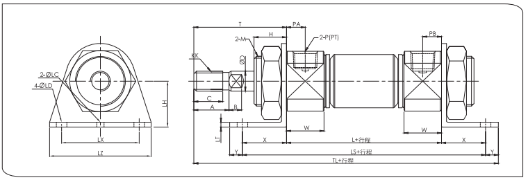
脚座型(LB)(单位mm)

6.6..png


I-D(MM)

行程范围

C

A

B

φD

H

KK

L

φLC

φLD

LH

LS

LT

LX

LZ

M

20

~400

15.5

18

5.0

10

13

M8x1.25

62

4

6.8

25

102

3.2

40

55

M20X1.5

25

~450

19.5

22

5.5

12

13

M10X1.25

62

4

6.8

28

102

3.2

40

55

M26X1.5

32

~450

19.5

22

5.5

12

13

M10x1.25

64

4

6.8

28

104

3.2

40

55

M26X1.5

40

~500

21.0

24

7.5

16

16

M14x1.50

88

4

7.0

30

134

3.2

55

75

M32X2.0


I-D(MM)

PA

PB

P(PB)

T

TL

W

X

Y

20

8

8

1/8

41

131

15

20

8

25

8

8

1/8

45

135

15

20

8

32

8

8

1/8

45

137

20

20

8

40

11

11

1/4

50

173

23

23

12



单U型钩(CA)(单位mm)

6.7.png



I-D(MM)

行程范围

C

A

B

φC

φCD

CR

CX

φD

H

KK

L

M

PA

PB

P(PT)

20

~300

15.5

18

5.0

27

9

30

10

10

13

M8x1.25

62

M20X1.5

8

8

1/8

25

~300

19.5

22

5.5

33

9

30

10

12

13

M10x1.25

62

M26X1.5

8

8

1/8

32

~300

19.5

22

5.5

37.5

9

30

10

12

13

M10X1.25

64

M26x1.5

8

8

1/8

40

~300

21.0

24

7.5

46.5

10

90

15

16

16

M14x1.50

88

M32x2.0

11

11

1/8


I-D(MM) R

T

TL

U

OVA

W

Z

20 9

41

142

14

24

15

15

25 9

45

146

14

30

15

15

32

9

45

148

14

34.5

15

15

40

11

50

188

18

42.5

21

21





双U型钩型(CB)(单位mm)

6.8.png


I-D(MM)

行程范围

C

A

B

φC

φCD

CR

CX

CZ

φD

H

KK

L

M

PA

PB

20

~300

15.5

18

5.0

27

9

30

10

19

10

13

M8x1.25

62

M20X1.5

8

8

25

~300

19.5

22

5.5

33

9

30

10

19

12

13

M10x1.25

62

M26x1.5

8

8

32

~300

19.5

22

5.5

37.5

9

30

10

19

12

13

M10X1.25

64

M26X1.5

8

8

40

~300

21.0

24

7.5

46.5

10

39

15

30

16

16

M14X1.50

88

M32x2.0

11

11


I-D(MM)

P(PT)

T

TL

OVA

W

Z

20

1/8

41

116

24

15

133

25

1/8

45

120

30

15

137

32

1/8

45

122

34.5

15

139

40

1/4

50

154

42.5

21

177



单U型钩一体型(CD)(单位mm)

6.9.png


I-D(MM)

行程范围

C

A

B

φC

φCD

CX

φD H

KK

L

M

PA

PB

P(PT)

R

20

~300

15.5

18

5.0

27

9

12

10 13

M8x1.25

62

M20X1.5

8

8

1/8

9

25

~300

19.5

22

5.5

33

9

12

12

13

M10X1.25

62

M26Xx1.5

8

8

1/8

9

32

~300

19.5

22

5.5

37.5

9

20

12

13

M10X1.25

64

M26X1.5

8

8

1/8

12

40

~300

21.0

24

7.5

46.5

10

20

16

16

M14X1.50

88

M32x2.0

11

11

1/4

12


I-D(MM)

T

TU

U

W

Z

20

41

124

12

15

115

25

45

128

12

15

119

32

45

136

15

15

124

40

50

165

15

21

153




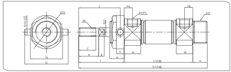
杆侧耳轴型(TR)(单位mm)

6.10.png


I-D(MM)

行程范围

C

A

B

0D

H

KK

L

M

P(PT)

PA

PB

T

OTD

TL

TT

20

~300

15.5

18

5.0

10

13

M8x1.25

62

M20X1.5

6.8

8

8

41

8

116

10

25

~300

19.5

22

5.5

12

13

M10X1.25

62

M26X1.5

6.8

8

8

45

9

120

10

32

~300

19.5

22

5.5

12

13

M10X1.25

64

M26X1.5

6.8

8

8

45

9

122

10

40

~300

21.0

24

7.5

16

16

M14X1.50

88

M32x2.0

7.0

11

11

50

10

154

11


I-D(MM)

TX

OTY

TZ

W

Z

20

32

32

52

15

36

25

40

40

60

15

40

32

40

40

60

20

40

40

53

53

72

23

44.5




后侧耳轴型(TH)(单位mm)

6.111.png


I-D(MM)

行程范围

C

A

B

φD

H

KK

L

M

P(PT)

PA

PB

T

φTD

TL

TT

20

~300

15.5

18

5.0

10

13

M8x1.25

62

M20x1.5

1/8

8

8

30

8

118

10

25

~300

19.5

22

5.5

12

13

M10X1.25

62

M26x1.5

1/8

8

8

30

9

122

10

32

~300

19.5

22

5.5

12

13

M10X1.25

64

M26x1.5

1/8

8

8

30

9

124

10

40

~300

21.0

24

7.5

16

16

M14X1.50

88

M32x2.0

1/8

11

11

90

10

154

11


I-D(MM)

TX

φTY

TZ

W

Z

20

32

32

52

15

108

25

40

40

60

15

112

32

40

40

60

15

114

40

53

53

77

21

143.5




带伸缩保护套型(单位mm)

6.12.png

伸缩保护套 J:尼龙防水帆布60 / K:聚氯丁橡胶布


6.13.png


缸径/I-D(MM)

φF

H

T

S

TL

20

36

14

56

0.3  Storke +3

131

25

36

14

60

135

32

36

14

60

137

40

40

16

67

0.25 Storke +3

171

※其他没有标示的尺寸与ISS3一般型相同



型式表示方法(单位mm)

6.14.png

※将后侧盖的螺纹部分去掉,使长度缩短,实现了节省空间的要求。


紧凑型(两种类型)

I-D(MM)

TL

20

103

25

107

32

109

40

138


整体尺寸比较(通用型)

Ø20

Ø25

Ø32

Ø40

-13

-13

-13

-16



型式表示方式

6.15.png


规格


6.16.png

类型

油压型

工作类型

复动双杆型

使用流体

空气

保证耐压力

15kgf/cm2

最高使用压力

9.9kgf/cm2

最低使用压力

0.5kgf/cm2

环境和使用流体温度

-10℃~+70℃

供油

螺纹公差

KS2等级

行程长度公差

+1.4
0



外形尺寸图(单位mm)

6.17.png


I-D(MM)

行程范围

C

A

B

0D

H

KK

L

M

P(PT)

PA

PB

T

ØTD

TL

W

20

~300

15.5

18

5.0

10

13

M8x1.25

62

M20x1.5

1/8

8

8

41

8

144

15

25

~300

19.5

22

5.5

12

13

M10X1.25

62

M26x1.5

1/8

8

8

45

9

152

15

32

~300

19.5

22

5.5

12

13

M10X1.25

64

M26x1.5

1/8

8

8

45

9

154

15

40

~300

21.0

24

7.5

16

16

M32x2.0

88

M32x2.0

1/8

11

11

50

10

188

21



型式标示方法

6.18.png

※请参考SS2系列一般型标示方式 ※可将后侧组合2个气缸一致化 ※气缸的往返及加上有3个阶段的行程


6.19.png


规格


型式

无润滑

使用流体

空气

保证耐压力

15kgf/cm2

最高使用压力

9.9kgf/cm2

最低使用压力

0.5kgf/cm2

活塞速度

50~750mm/sec

操作方式

双动

缓冲

橡胶缓冲

安装方式

基础型、脚座型、法兰型

缸径(mm)/I-D

020、025、032、040

行程A,B

~300mm



外形尺寸图/基本型(单位mm)

9.20.png


I-D(MM)

TA

TB

TL

20

47

78

207

25

47

78

215

32

49

80

219

40

66.5

110.5

277



型式标示方式

9.21.png

※请参考SS2系列一般型标示方法 将2个气缸直线连接,使气缸一体化, 可以调整2个阶段的往返行程,气缸的推力可以达到2倍。


9.22.png


规格


型式

无润滑

保证耐压力

15kgf/cm2

最高使用压力

9.9kgf/cm2

最低使用压力

0.5kgf/cm²

活塞速度

50~750mm/sec

操作方式

双动

缓冲

橡胶缓冲

安装方式

基础型、轴方向脚座型、标准法兰型、
前端法兰型、单U型钩型、双U型钩型

缸径(mm)/I-D


行程A,B

~300mm



外形尺寸图/基本型(单位mm)

6.22.png


I-D(MM)

TA

TB

TL

20

48

62

164

25

48

62

168

32

50

64

172

40

67.5

88.5

222



型式标示方法

6.23.png

※气缸前进时,行程可自0~50mm止,可变调整在后侧安装行程调整器具,在出力侧实行行程调整。



6.231.png


型式

无润滑

保证耐压力

15kgf/cm²

最高使用压力

9.9kgf/cm2

最低使用压力

0.5kgf/cm2

活塞速度

50~750mm/sec

操作方式

阻力调整

缓冲

橡胶缓冲

行程调整方式

A:0~25MM, B:0~50MM

安装方式

基础型、脚座型、标准法兰型、
前端法兰型、杆侧耳轴

缸径(mm)/I-D

020、025、032、040



外形尺寸图/基本型(单位mm)

6.24.png



I-D(MM)

MK

φMB

KK

MH

ML

TL

20

8

20

M8x1.25

47

18

150

25

10

20

M10x1.25

49

18

156

32

10

20

M10x1.25

49

18

158

40

12

25

M14x1.50

60

22

198

※其他没有标示的尺寸与SS3一般型相同




型式标示方式

6.241.png

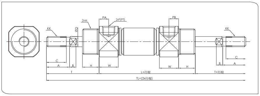
※此为将2个气缸直排联接的气缸,可得到2倍的推力。


6.25.png


规格


型式

无 润 滑

使用流体

空 气

保证耐压力

15kgf/cm2

最高使用压力

9.9kgf/cm2

最低使用压力

0.5kgf/cm2

活塞速度

50~750mm/sec

操作方式

双动

缓冲

橡胶缓冲

安装方式

基础型、脚座型、法兰型、U型钩型

缸径(mm)/I-D

020、025、032、040

行程A,B

~300mm




外形尺寸图/基本型(单位mm)

6.26.png


I-D(MM)

TA

TB

TL

20

48

62

164

25

48

62

168

32

50

64

172

40

67.5

88.5

222



耐热型气缸

6.27.png


规格


形式

润滑型

缸径/I-D

Ø20、Ø25、Ø32、Ø40

杯境温度

-20~+150℃

密封材质

氟橡胶


9.31.png

9.311.png

9.32.png


有问题吗? 技术顾问为您服务!

021-37773226

sales@ilsin.cn

与正菏联系

我们的团队将随时为您效劳!