中文
EN
Menu
首页
关于我们
公司简介
品牌简介
组织架构
生产设备
发展历程
荣誉资质
产品中心
模组系列
钢基模组
内嵌式丝杆模组
内嵌式皮带模组
半封闭丝杆模组
半封闭皮带模组
钢带全封闭丝杆模组
钢带全封闭皮带模组
齿条模组
直线电机模组
附件资料
气动系列
气源
电磁阀
气缸
接头
气管
OEM代工系列
精密加工
模具制造
金属铸造
下载中心
模组系列
气动系列
新闻动态
公司新闻
行业新闻
常见问题
联系我们
Search
首页
关于我们
公司简介
品牌简介
组织架构
生产设备
发展历程
荣誉资质
产品中心
模组系列
气动系列
OEM代工系列
下载中心
模组系列
气动系列
新闻动态
公司新闻
行业新闻
常见问题
联系我们
English
立即咨询
返回列表
气缸
首页
>
产品中心
>
模组系列
>
半封闭皮带模组
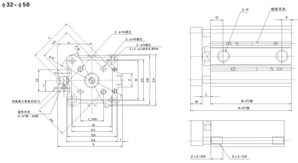
产品特点
·
安装尺寸与CQS、CQ2系列有互换性
·
不回转精度±0.2°以下
·
不要作止动器使用
配置说明
产品特点
配置说明
有问题吗?
技术顾问为您服务!
021-37773226
sales@ilsin.cn
留言定制
相关产品
PCT单动针型气缸(弹簧压回型...
PSP超小型气缸标准型/复动单...
PSW超小型气缸标准型/复动单...
PSS2小型气缸标准型,低油型...
与正菏联系
我们的团队将随时为您效劳!
立即咨询